浏览量:
1000
产品描述
参数
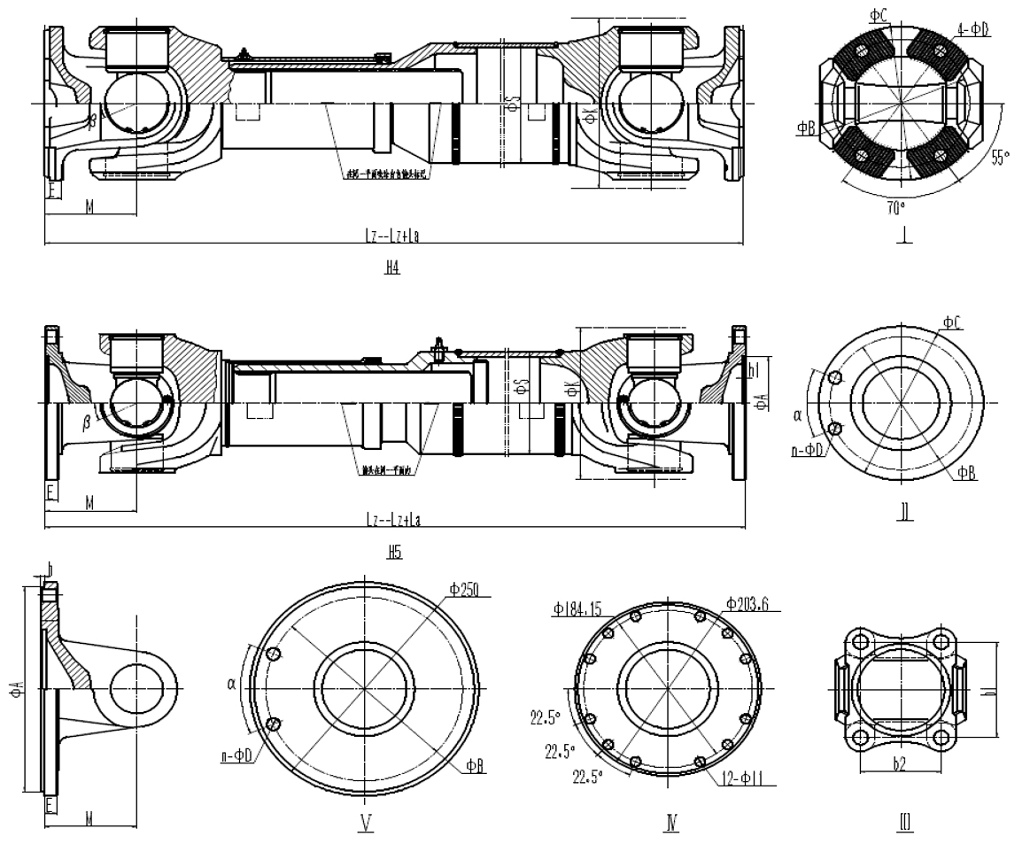
重型伸缩式传动轴结构参数图

重型伸缩式传动轴结构参数一
| Tsmax (N.m) |
A | h | h1 | B | n-ΦD | C | α | b1 | b2 | E | M | K | S | β | Lz | La | 结构 | 法兰 | 万向节尺寸 | |
| 3-1 | 10000 | ISO-12667-T150 | 130 | 4-Φ13 | 150 | 16 | 100 | 165 | 91 | 40° | 650 | 130 | H4 | Ⅰ | Φ50×135 | |||||
| 3-2 | 18000 | ISO-12667-T180 | 150 | 4-Φ15 | 180 | 14 | 88.5 | 188 | 102 | 30° | 630 | 130 | H4 | Ⅰ | Φ50×155 | |||||
| 3-3 | 16500 | ISO-12667-T150 | 130 | 4-Φ13 | 150 | 16 | 90 | 156 | 100 | 35° | 610 | 110 | H4 | Ⅰ | Φ52×133 | |||||
| 3-4 | 16500 | ISO-12667-T165 | 140 | 4-Φ13 | 165 | 16 | 90 | 156 | 100 | 35° | 610 | 110 | H4 | Ⅰ | Φ52×133 | |||||
| 3-5 | 16500 | ISO-12667-T180 | 150 | 4-Φ15 | 180 | 16 | 90 | 156 | 100 | 35° | 610 | 110 | H4 | Ⅰ | Φ52×133 | |||||
| 3-6 | 16500 | 90 | 3 | 130 | 8-Φ12.1 | 150 | 45° | 11 | 90 | 156 | 100 | 35° | 610 | 110 | H5 | Ⅱ | Φ52×133 | |||
| 3-7 | 16500 | 95 | 3 | 140 | 8-Φ16.1 | 165 | 45° | 12 | 90 | 156 | 92 | 35° | 610 | 110 | H5 | Ⅱ | Φ52×133 | |||
| 3-8 | 16500 | 110 | 3 | 155.5 | 8-Φ14.1 | 180 | 45° | 13 | 90 | 156 | 92 | 35° | 610 | 110 | H5 | Ⅱ | Φ52×133 | |||
| 3-9 | 16500 | 198 | 3 | 185 | 8-Φ10.1 | 203.5 | 45° | 9 | 87 | 156 | 92 | 35° | 610 | 110 | H5 | Ⅱ | Φ52×133 | |||
| 3-10 | 16500 | 132 | 3 | 155 | 8-Φ10.2 | 175 | 45° | 11 | 90 | 156 | 92 | 35° | 610 | 110 | H5 | Ⅱ | Φ52×133 | |||
| 3-11 | 16500 | 95 | 2.5 | 4-Φ16.3 | 112 | 88 | 14 | 78/90 | 156 | 92 | 35° | 610 | 110 | H5 | Ⅲ | Φ52×133 | ||||
| 3-12 | 21000 | ISO-12667-T155 | 130 | 4-Φ13 | 155 | 16 | 100 | 168 | 102 | 35° | 650 | 110 | H4 | Ⅰ | Φ57×144 | |||||
| 3-13 | 21000 | ISO-12667-T165 | 140 | 4-Φ13 | 165 | 16 | 100 | 168 | 102 | 35° | 650 | 110 | H4 | Ⅰ | Φ57×144 | |||||
| 3-14 | 21000 | ISO-12667-T180 | 150 | 4-Φ15 | 180 | 18 | 100 | 168 | 102 | 35° | 650 | 110 | H4 | Ⅰ | Φ57×144 | |||||
| 3-15 | 21000 | 95 | 3 | 140 | 8-Φ16.1 | 165 | 45° | 14 | 100 | 168 | 102 | 35° | 650 | 110 | H5 | Ⅱ | Φ57×144 | |||
| 3-16 | 21000 | 110 | 3 | 155.5 | 10-Φ16.1 | 180 | 45° | 14 | 100 | 168 | 102 | 35° | 650 | 110 | H5 | Ⅱ | Φ57×144 | |||
| 3-17 | 21000 | 197 | 4 | 184.15 | 16-Φ11 | 205 | 22.5° | 11 | 96 | 168 | 102 | 35° | 650 | 110 | H5 | Ⅱ | Φ57×144 | |||
说明:1.Tsmax:最大瞬时扭矩N.m;2.Lz:压缩后最小长度;3.La:长度补偿量;4.Lz+La:最大工作长度;5.b1:耳孔同侧两孔距。
重型伸缩式传动轴结构参数二
| Tsmax (N.m) |
A | h | h1 | B | n-ΦD | C | α | E | M | K | S | β | Lz | La | 结构 | 法兰 | 万向节尺寸 | |
| 4-1 | 27000 | ISO-12667-T180 | 150 | 4-Φ15 | 180 | 18 | 100 | 178 | 110/120 | 25° | 700 | 140 | H4 | Ⅰ | Φ57×152 | |||
| 4-2 | 27000 | 95 | 3 | 140 | 8-Φ16.1 | 165 | 45° | 14 | 100 | 178 | 110/120 | 25° | 700 | 140 | H5 | Ⅱ | Φ57×152 | |
| 4-3 | 27000 | 110 | 3 | 155.5 | 10-Φ16.1 | 180 | 45° | 14 | 100 | 178 | 110/120 | 25° | 700 | 140 | H5 | Ⅱ | Φ57×152 | |
| 4-4 | 27000 | 197 | 2 | 184.15 | 12-Φ11 | 203.6 | 13 | 98 | 178 | 110/120 | 25° | 700 | 140 | H5 | Ⅳ | Φ57×152 | ||
| 4-5 | 27000 | 140 | 6 | 196 | 8-Φ16.2 | 225 | 45° | 18 | 101 | 178 | 110/120 | 25° | 700 | 140 | H5 | Ⅱ | Φ57×152 | |
| 4-6 | 27000 | 240 | 4 | 220 | 8-Φ14.2 | 250 | 45° | 14 | 97 | 178 | 110/120 | 25° | 700 | 140 | H5 | Ⅴ | Φ57×152 | |
| 4-7 | 27000 | ISO-12667-T180 | 150 | 4-Φ15 | 180 | 18 | 100 | 178 | 110/120 | 25° | 700 | 110 | H5 | Ⅰ | Φ62×149 | |||
| 4-8 | 30000 | ISO-12667-T180 | 150 | 4-Φ15 | 180 | 18 | 102.5 | 195 | 130 | 28° | 700 | 120 | H4 | Ⅰ | Φ62×160 | |||
| 4-9 | 30000 | ISO-12667-T180 | 150 | 4-Φ15 | 180 | 18 | 100 | 185 | 120 | 25° | 710 | 140 | H4 | Ⅰ | Φ63.5×152 | |||
| 4-10 | 30000 | 140 | 6 | 196 | 8-Φ16.2 | 225 | 45° | 18 | 110 | 185 | 120 | ?25° | 710 | 140 | H5 | Ⅱ | Φ63.5×152 | |
| 4-11 | 30000 | 240 | 4 | 215 | 8-Φ14.2 | 250 | 45° | 14 | 185 | 120 | 25° | 710 | 140 | H5 | Ⅴ | Φ63.5×152 | ||
| 4-12 | 44000 | ISO-12667-T180 | 150 | 4-Φ15 | 180 | 18 | 100 | 198 | 140 | 22° | 710 | 140 | H4 | Ⅰ | Φ68×165(89) | |||
| 4-13 | 44000 | 140 | 6 | 196 | 8-Φ16.2 | 225 | 45° | 20 | 198 | 140 | 22° | 710 | 140 | H5 | Ⅱ | Φ68×165(89) | ||
| 4-14 | 44000 | 240 | 4 | 215 | 8-Φ14.2 | 250 | 45° | 16 | 198 | 140 | 22° | 710 | 140 | H5 | Ⅴ | Φ68×165(89) | ||
| 4-15 | 52500 | ISO-12667-T180 | 150 | 4-Φ15 | 180 | 19.5 | 113 | 210 | 152 | 25° | 790 | 130 | H4 | Ⅰ | Φ68×193(117) | |||
| 4-16 | 52500 | ISO-12667-T200 | 165 | 4-Φ15 | 200 | 19.5 | 113 | 210 | 152 | 25° | 790 | 130 | H4 | Ⅰ | Φ68×193(117) | |||
说明:1.Tsmax:最大瞬时扭矩N.m;2.Lz:压缩后最小长度;3.La:长度补偿量;4.Lz+La:最大工作长度;5.b1:耳孔同侧两孔距。
关键词:
伸缩式传动轴
扫二维码用手机看
上一个
无
下一个
伸缩式传动轴
版权所有:MGM美高梅(中国澳门)集团-macau mgm美高梅macau 网站建设:中企动力 洛阳
0374-2237611
点击咨询