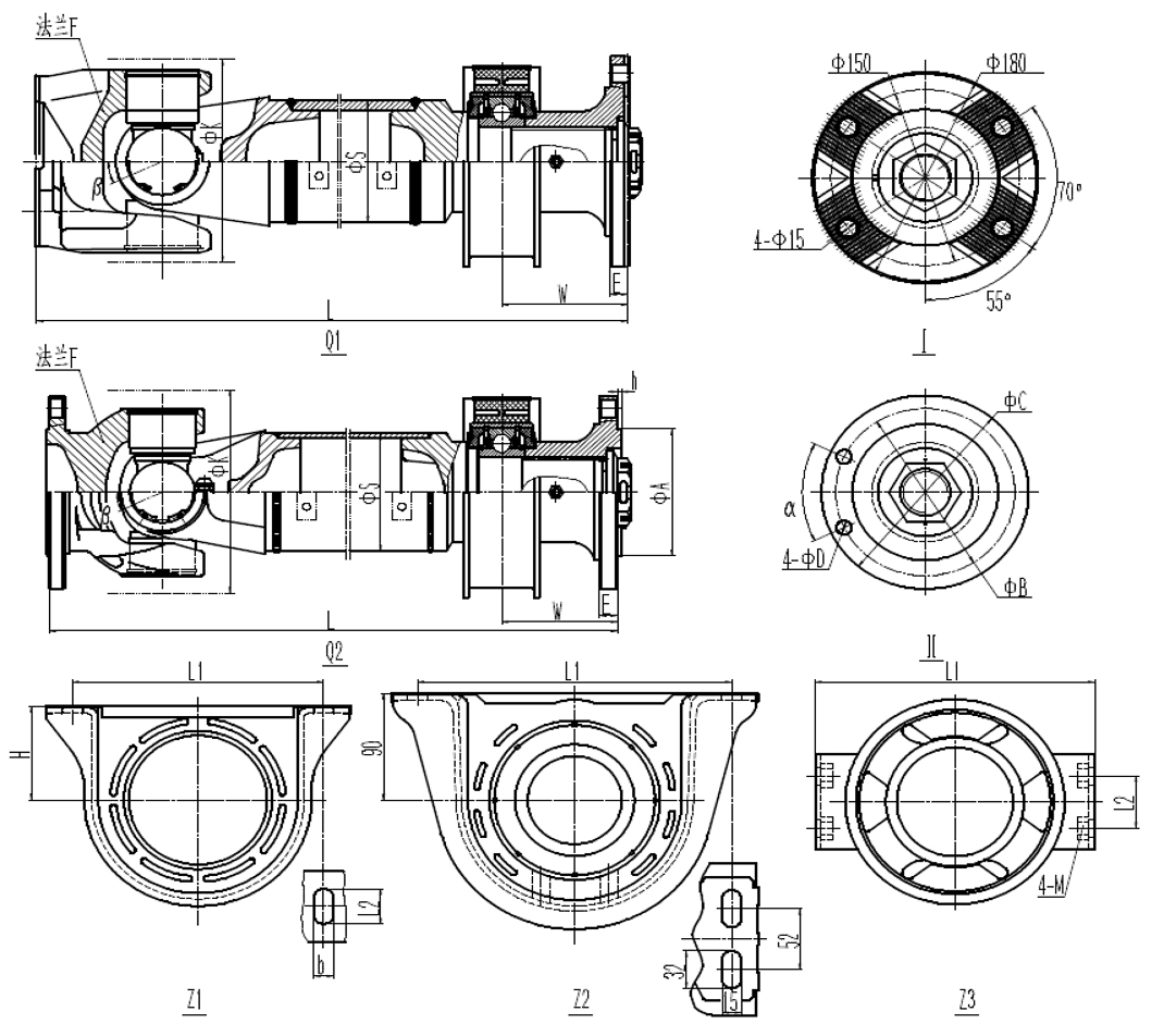
重型带中间支承传动轴结构参数图

重型带中间支承传动轴结构参数
|
|
Tsmax(N.m) |
A |
h |
B |
n-ΦD |
α |
E |
K |
S |
β |
W |
H |
L1 |
L2 |
b |
4-M |
L |
结构 |
中间凸缘 |
支承总成 |
法兰F |
万向节尺寸 |
|
5-1 |
16500 |
ISO-8667-T180 |
150 |
4-Φ15 |
|
14 |
156 |
92 |
35° |
100 |
80 |
200 |
30 |
15 |
|
1060 |
Q1 |
Ⅰ |
Z1 |
3-5 |
Φ52×133 |
|
|
5-2 |
16500 |
95 |
2.3 |
140 |
8-Φ16.1 |
45° |
12 |
156 |
92 |
35° |
100 |
80 |
200 |
30 |
15 |
|
1060 |
Q2 |
Ⅱ |
Z1 |
3-7 |
Φ52×133 |
|
5-3 |
21000 |
ISO-8667-T180 |
150 |
4-Φ15 |
|
14 |
168 |
102 |
35° |
100 |
80 |
200 |
30 |
15 |
|
1110 |
Q1 |
Ⅰ |
Z1 |
3-14 |
Φ57×144 |
|
|
5-4 |
21000 |
95 |
2.3 |
140 |
8-Φ16.1 |
45° |
12 |
168 |
102 |
35° |
100 |
80 |
200 |
30 |
15 |
|
1110 |
Q2 |
Ⅱ |
Z1 |
3-15 |
Φ57×144 |
|
5-5 |
21000 |
110 |
2.3 |
155.5 |
10-Φ16.1 |
36° |
14 |
168 |
102 |
35° |
100 |
80 |
200 |
30 |
15 |
|
1110 |
Q2 |
Ⅱ |
Z1 |
3-16 |
Φ57×144 |
|
5-6 |
27000 |
ISO-8667-T180 |
150 |
4-Φ15 |
|
14 |
178 |
110 |
25° |
110 |
|
247 |
50 |
|
4-M12*1.5 |
2170 |
Q1 |
Ⅰ |
Z3 |
3-1 |
Φ57×152 |
|
|
5-7 |
27000 |
110 |
2.3 |
155.5 |
10-Φ16.1 |
36° |
14 |
178 |
110 |
25° |
110 |
|
247 |
50 |
|
4-M12*1.5 |
2170 |
Q2 |
Ⅱ |
Z3 |
4-3 |
Φ57×152 |
|
5-8 |
27000 |
ISO-8667-T180 |
150 |
4-Φ15 |
|
14 |
178 |
110 |
25° |
100 |
80 |
200 |
30 |
15 |
|
2170 |
Q1 |
Ⅰ |
Z1 |
4-1 |
Φ57×152 |
|
|
5-9 |
30000 |
ISO-8667-T180 |
150 |
4-Φ15 |
|
14 |
195 |
130 |
25° |
110 |
90 |
250 |
30 |
17 |
|
1360 |
Q1 |
Ⅰ |
Z1 |
4-8 |
Φ62×160 |
|
|
5-10 |
30000 |
ISO-8667-T180 |
150 |
4-Φ15 |
|
14 |
185 |
120 |
25° |
100 |
80 |
200 |
30 |
15 |
|
1200 |
Q1 |
Ⅰ |
Z1 |
4-9 |
Φ63.5×152 |
|
|
5-11 |
44000 |
ISO-8667-T180 |
150 |
4-Φ15 |
|
14 |
185 |
140 |
22° |
110 |
90 |
250 |
30 |
17 |
|
1410 |
Q1 |
Ⅰ |
Z1 |
4-12 |
Φ68×165(89) |
|
|
5-12 |
44000 |
ISO-8667-T180 |
150 |
4-Φ15 |
|
14 |
185 |
140 |
22° |
128 |
90 |
|
|
|
|
1410 |
Q1 |
Ⅰ |
Z2 |
4-12 |
Φ68×165(89) |
|
|
5-13 |
44000 |
ISO-8667-T180 |
150 |
4-Φ15 |
|
14 |
185 |
140 |
22° |
115.5 |
|
310 |
60 |
|
4-M18*1.5 |
1410 |
Q1 |
Ⅰ |
Z3 |
4-12 |
Φ68×165(89) |
|
说明:1.Tsmax:最大瞬时扭矩N.m;2.Lz:压缩后最小长度;3.La:长度补偿量;4.Lz+La:最大工作长度。
版权所有:MGM美高梅(中国澳门)集团-macau mgm美高梅macau 网站建设:中企动力 洛阳
0374-2237611
点击咨询